JY-BS/3電壓繼電器主要用途及產品圖片-上海上繼科技有限公司
發表時間:2019-09-24 15:17 瀏覽次數:743 〖返回〗
一、JY-BS/3電壓繼電器主要用途
JY-BS/3電壓繼電器用于發電機、變壓器、輸變電線路的繼電保護裝置中,作為過電壓保護或低電壓閉鎖啟動元件。
當提供輔助電源后,可完全代替DJ-100系列、 DY-20系列、 DY-30系列電磁型電壓繼電器。
本繼電器為集成電路型,采用三位撥碼開關整定電壓值、直觀方便、精度高、功耗小、無抖動、動作快、返回系數高。
二、JY-BS/3電壓繼電器原理說明

三、JY-BS/3電壓繼電器型號命名及含義

四、JY-BS/3電壓繼電器主要技術參數
4.1 電壓整定范圍10V~399V,其它整定范圍可按用戶要求定做。
4.2 輔助電源AC/DC220V、110V、48V
4.3 功耗交流回路功耗小于2VA(**整定電壓值時);直流回路功耗小于3W(出口繼電器動作后)。
4.4 直流輔助電源允許變換范圍0.8~1.15倍額定電壓。
4.5 動作時間欠電壓繼電器:0.5倍整定值的動作時間不大于20mS。
過電壓繼電器:1.2倍整定值的動作時間不大于25mS。
2倍整定值的動作時間不大于20mS。
4.6 返回時間欠電壓繼電器返回時間不大于27mS;過電壓繼電器返回時間不大于27mS。
4.7 返回系數欠電壓繼電器返回系數1.04~1.08,過電壓繼電器的返回系數0.93~0.97。
4.8 整定誤差額定值在10V至**值范圍內,整定誤差不大于2%;在極限溫度下,10V以上任一整定值的誤差不大于3%,在輔助電源極限變化范圍內,10V以上任一整定值的誤差不大于3%。
4.7 觸點容量 繼電器輸出電路的觸點能斷開電壓不大于250V,時間常數為5±0.75mS的直流有感負荷電路為50W,電壓不大于250V的交流電路(功率因數COSΦ為0.4±0.1)為250VA。繼電器觸點可長期接通5A。
4.8 電壽命不低于105次。
4.9 機械壽命不低于106次。
4.10 介質強度繼電器各導電端子連在一起,對外露非電帶金屬部分或外殼之間能承受2000V(有效值),50Hz的交流電壓歷時1分鐘試驗而無絕緣擊穿或飛弧現象。
4.11 絕緣電阻繼電器各導電端子連在一起,對外露非帶電金屬部分或外殼之間,用開路電壓為500V的兆歐表測量其絕緣電阻不小于300MΩ。
4.12 工作環境條件溫度-10℃~+50℃,相對濕度不大于90%,海拔高度不大于2000M。
4.13 抗干擾性能繼電器的抗干擾負荷DL478-92《靜態繼電保護及安全自動裝置通用技術條件》。
五、JY-BS/3電壓繼電器整定方法和使用
本繼電器采用數字撥盤整定,三位數字從左到右分別為百位、十位、個位,三位數字即為整定的電壓。列如:三位數字是220,即
為220V。由于本系列繼電器采用開關電源,所以輔助電源無須考慮極性,只要電壓符合即可,被測電壓無須考慮串、并接法,只要按接線圖接入即可。
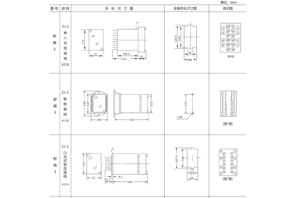
六、JY-BS/3電壓繼電器外形尺寸及開孔尺寸

公司介紹:上海上繼科技有限公司是一家專業從事電力系統繼電保護及智能電網電力自動化產品的研發、設計、生產、銷售和服務為一體的高科技公司。擁有資深繼電保護專家團隊和國內**的檢測儀器及校驗設備。同時還引用國內外先進技術,來進行技術創新。本公司的產品廣泛用于電力、工礦、鐵路、建筑等國家重大工程輸配變電系統上,產品遠銷東南亞及中東地區。產品通過國家繼電保護及自動化設備質量監督檢驗中心檢測,獲得ISO9001國際質量體系認證?!翱萍紕撔?,誠信務實”是公司的經營理念,本公司以高超的技術支持和對用戶高度負責的售后服務贏得了輸配電成套企業的信賴,且樹立了良好的信譽。
上海上繼科技有限公司(專注電力保護繼電器生產廠家)銷售熱線:021-57233089 QQ:1932551438
{以上內容僅供參考,上海上繼科技有限公司有最終解釋權}
更多繼電器精彩文章——JY-AS/4/210電壓繼電器接線圖及工作原理





