JY-43B電壓繼電器接線圖及開孔尺寸-上海上繼科技有限公司
發表時間:2019-07-29 09:54 瀏覽次數:894 〖返回〗
一、JY-43B電壓繼電器的介紹
電壓繼電器是輸入量、特性量為電壓的量度繼電器,分為過電壓繼電器和欠電壓繼電器。前者由于電壓值增加達到整定值而動作,然后處于動后狀態;后者由于電壓值減少達到整定值而動作,然后處于釋放狀態。
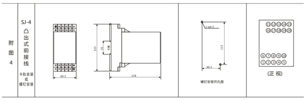
二、JY-43B電壓繼電器的接線圖

三、JY-43B電壓繼電器的動作可靠性
a. 在動作電壓或返回電壓下,繼電器動作過程中的可動系統不應停滯在中間位置。
b. 當對線圈突然施加1.75倍的整定電壓激勵量時,其動合觸點應無抖動地閉合。
c. 當無外來碰撞和振動,繼電器的整定值整定在銘牌中部(或大于中部整定值)時,過電壓繼電器激勵量為整定電壓的0.6倍,繼電器的動斷觸點應可靠地閉合,動合觸點應可靠地斷開;低電壓繼電器激勵量不低于整定電壓的1.5倍,繼電器的動斷觸點應可靠地斷開,在0.6倍的整定電壓(或更低)時,繼電器的動斷觸點應可靠地閉合。
四、JY-43B電壓繼電器的結構
電壓繼電器分為凸出式固定結構,凸出式插拔式結構,嵌入式插拔結構等,并有透明的塑料外罩,可以觀察繼電器的整定值和規格等。
電壓繼電器磁系統有兩個線圈,線圈出頭接在底座端子上,用戶可以根據需要串并聯,因而可使繼電器整定范圍變化一倍。
電壓繼電器銘牌的刻度值及額定值對于電流繼電器是線圈串聯時的電流(以A為單位),對于電壓繼電器是線圈并聯時的電壓(以V為單位)。轉動刻度盤上的指針,以改變游絲的反作用力矩從而可以改變繼電器的動作值。
五、JY-43B電壓繼電器的開孔尺寸

公司介紹:上海上繼科技有限公司是一家專業從事電力系統繼電保護及智能電網電力自動化產品的研發、設計、生產、銷售和服務為一體的高科技公司。擁有資深繼電保護專家團隊和國內**的檢測儀器及校驗設備。同時還引用國內外先進技術,來進行技術創新。本公司的產品廣泛用于電力、工礦、鐵路、建筑等國家重大工程輸配變電系統上,產品遠銷東南亞及中東地區。產品通過國家繼電保護及自動化設備質量監督檢驗中心檢測,獲得ISO-9001:2000國際質量體系認證。“科技創新,誠信務實”是公司的經營理念,本公司以高超的技術支持和對用戶高度負責的售后服務贏得了輸配電成套企業的信賴,且樹立了良好的信譽。
上海上繼科技有限公司(專注電力保護繼電器生產廠家)銷售熱線:021-57233089 QQ:1932551438
{以上內容僅供參考,上海上繼科技有限公司有最終解釋權}
更多繼電器精彩文章——JY-35A電壓繼電器技術數據及開孔尺寸
- 上一篇:JY-43A電壓繼電器開孔尺寸及參數
- 下一篇:LL-11A過流繼電器參數及接線圖





