JL-B-32DK無輔源電流繼電器-上海上繼科技有限公司
發表時間:2020-06-02 06:40 瀏覽次數:1072 〖返回〗
一、JL-B-32DK無輔源電流繼電器產品價格
公司一貫以“合理的價格,高質量的產品,準時的交貨期,良好的信譽服務”為基本準則。本公司期待成為你忠實的朋友和合作伙伴,共創互惠雙贏的未來!更多價格詳細內容請來電咨詢:021-57233089,如有任何疑問可以在線聯系公司客服。
二、JL-B-32DK無輔源電流繼電器主要用途
JL-B/32DK無輔源電流繼電器作為繼電保護元件,主要用于發電機、變壓器、輸變電線路中,作為電力系統交流回路過負荷或短路的啟動元件,給出報警信號或切除故障。本系列繼電器采用CMOS集成電路進行運算和比較、具有精度高、防抖動、整定范圍寬、動作速度快、返回系數高、功耗低的特點??赏耆娲鶧L-10、DL-20、DL-30電磁型電流繼電器。還增加了SJ-4新型殼體,35mm標準導軌安裝。外形緊湊,安裝方便。
三、JL-B-32DK無輔源電流繼電器接線圖

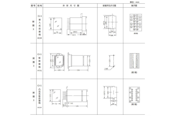
四、JL-B-32DK無輔源電流繼電器外形結構及開孔尺寸圖

公司介紹:上海上繼科技有限公司是一家專業從事電力系統繼電保護及智能電網電力自動化產品的研發、設計、生產、銷售和服務為一體的高科技公司。擁有資深繼電保護專家團隊和國內**的檢測儀器及校驗設備。同時還引用國內外先進技術,來進行技術創新。本公司的產品廣泛用于電力、工礦、鐵路、建筑等國家重大工程輸配變電系統上,產品遠銷東南亞及中東地區。產品通過國家繼電保護及自動化設備質量監督檢驗中心檢測,獲得ISO9001國際質量體系認證?!翱萍紕撔?,誠信務實”是公司的經營理念,本公司以高超的技術支持和對用戶高度負責的售后服務贏得了輸配電成套企業的信賴,且樹立了良好的信譽。
公司主營:繼電器(時間繼電器,電壓繼電器,電流繼電器,中間繼電器,信號繼電器,閃光繼電器,沖擊繼電器,同步檢查繼電器,接地繼電器,差動繼電器,重合閘繼電器,絕緣監視繼電器,雙位置繼電器,模數化繼電器),智能操控裝置,微機保護裝置,電力儀表
上海上繼科技有限公司(專注電力保護繼電器生產廠家)銷售熱線:021-57233089 QQ:1932551438
{以上內容僅供參考,上海上繼科技有限公司有最終解釋權}
更多繼電器精彩文章——JSL-15靜態定時限過流繼電器產品價格及主要性能
- 上一篇:JL-B-31DK無輔源電流繼電器
- 下一篇:JL-B-33DK無輔源電流繼電器





