SS-17B時間繼電器-上海上繼科技有限公司
發表時間:2020-04-13 16:11 瀏覽次數:1071 〖返回〗一、SS-17B時間繼電器工作原理

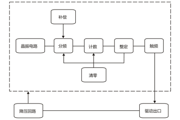
SS-17B時間繼電器由CMOS數字電路構成, 其原理圖框如圖1所示。

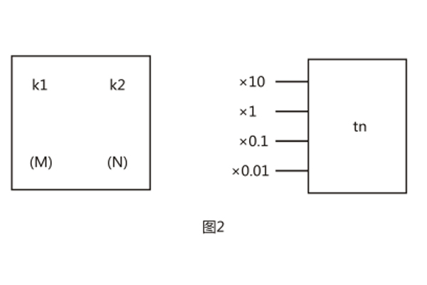
該繼電器采用分頻 ,計數原理實現延時。能離中脈沖由石英晶體振第器產生。 整定方式為兩位8421碼拔碼開關和一位DIP四檔小開關相互配合整定, 在整定公式為t=tn*(MN)s。
其中M, N為拔盤開關的整定數字
tn為 DIP四檔小開關的整定數字

二、SS-17B時間繼電器技術參數
1.額定電壓: 48V, 110V, 220V DC。
2.工作范圍: 70%~110%額定電壓。
3.延時范圍: 0.02s-990s最小級差為0.01s。
4.返回時間:≤10ms
5.平均誤差:在基準條件下,平均誤差不大于(0.2%整定值±2ms) 。
6.延時一致性:
在基準條件下:延時整定為0.02s-0.99s時, 一致性誤差不大于3ms;
延時整定為1s-990s時, 一致性誤差不大于( 0.1%整定值±2ms) 。
7.觸點性能:
在電壓不超過250V,電流不超過1A的有感負荷電路中,觸點斷開容量為30W;在電壓不超過250W,電流不超過0.1A的交流電路中, ( cos(p=0.4±0.1 )觸點斷開容量為60VA。
8.功耗:在額定電壓下,繼電器的功耗不大于表中規定值。

9.介質強度:繼電器所有引出端子對外殼能承受2kV, 50Hz歷時1min沖擊,無擊穿或閃絡現象。
三、SS-17B時間繼電器開孔尺寸

公司介紹:上海上繼科技有限公司是一家專業從事電力系統繼電保護及智能電網電力自動化產品的研發、設計、生產、銷售和服務為一體的高科技公司。擁有資深繼電保護專家團隊和國內**的檢測儀器及校驗設備。同時還引用國內外先進技術,來進行技術創新。本公司的產品廣泛用于電力、工礦、鐵路、建筑等國家重大工程輸配變電系統上,產品遠銷東南亞及中東地區。產品通過國家繼電保護及自動化設備質量監督檢驗中心檢測,獲得ISO9001國際質量體系認證。“科技創新,誠信務實”是公司的經營理念,本公司以高超的技術支持和對用戶高度負責的售后服務贏得了輸配電成套企業的信賴,且樹立了良好的信譽。
公司主營:繼電器(時間繼電器,電壓繼電器,電流繼電器,中間繼電器,信號繼電器,閃光繼電器,沖擊繼電器,同步檢查繼電器,接地繼電器,差動繼電器,重合閘繼電器,絕緣監視繼電器,雙位置繼電器,模數化繼電器),微機保護裝置,電力儀表,智能操控裝置
上海上繼科技有限公司(專注電力保護繼電器生產廠家)銷售熱線:021-57233089 QQ:1932551438
{以上內容僅供參考,上海上繼科技有限公司有最終解釋權}
更多繼電器精彩文章——DZK-244X中間繼電器工作原理及說明書
- 上一篇:SS-94B/2-2時間繼電器
- 下一篇:SS-17C時間繼電器





