JSL-24靜態定時限過流繼電器技術參數及應用范圍-上海上繼科技有限公司
發表時間:2019-12-23 11:32 瀏覽次數:1192 〖返回〗
一、JSL-24系列靜態定時限過流繼電器應用范圍
1、JSL-24系列靜態定時限過流繼電器(以下簡稱繼電器)適用于城市和農村電力網供電線路、變壓器,電機的過負荷和短路保護。
2、本繼電器為集成電路靜態繼電器, 采用數碼開關整定電流值,直觀方便,改變整定值無須檢驗,整定范圍為2.0-9.9A級差為0.1A; 精度高、功耗小,動作時間快、返回系數高,其結構與GL系列過流繼電器相同。
3、本繼電器的使用, 對交流操作的開閉所和高配用戶中特別解決了:滿足電力部壓縮時間級差反措要求,克服了反時限交流操作保護 裝置與大電網定時限保護不相配合的致命弱點,避免了因用戶故障造成保護越級跳閘進而擴大事故;采用數碼開關設置定值的定時限保護, 消除了原反時限特性繼電器在定值計算,上下級配合及調試中帶來的大量繁瑣的工作量,極大的方便了工作人員的設計和現場工作。
二、JSL-24系列靜態定時限過流繼電器主要技術參數
1、額定值:50Hz交流5A,波形畸變不超過2%。
2、起動電流整定范圍2.0~9.9A,級差為0.1A。
3、電流速動倍數整定范圍:2~9.9倍,級差為0.1倍。
4、延時時間整定范圍:0.05s~9.99s,級差0.01s。
5、速動動作時間:繼電器任一整定點上,在1.2倍速動電流時的動作時間不大于50ms。
6、誤差: 在基準條件下,電流整定值誤差不大于±3%;延時誤差不大于±0.1%+50ms。
7、返回系數:不小于0.9。 8、功率消耗:額定電流時功率消耗不大于6VA。
9、觸點容量:
a、接通容量:在直流電壓不超過250V時,產品主觸點連續接通電流為10A;
b、斷開容量:在電壓不超過250V的感性負荷回路中(L/R=5ms),產品分斷容量為50W;
c:過載能力:繼電器的觸點能可靠地斷開1.5倍規定容量的電流5次,且觸點的性能仍符合技術標準的要求。
10、介質強度:繼電器同一組觸點斷開時,能承受工頻1kV電壓,歷時1min;無電氣聯系的各導電部分之間,能承受工頻2kV電壓,歷時 1min;所有導電部分對安裝架之間,能承受工頻2kV電壓,歷時1min 試驗;應無絕緣擊穿或閃絡現象。
11、絕緣電阻:在標準試驗大氣條件下,繼電器各導電端子與外露的非帶電金屬部分或外殼之間,用開路電壓為500V兆歐表測量其絕緣電阻 應不小于20MΩ。
12、工作壽命:繼電器在規定的負荷下為80000次,平均無故障率時間為8萬小時。
三、JSL-24系列靜態定時限過流繼電器外形結構及開孔尺寸圖

四、JSL-24系列靜態定時限過流繼電器安裝和接線須知
對于無輔助電源的產品:
1、為確保繼電器在使用中性能穩定及質量可靠,在使用之前一定要進行檢查和測試。方法如下:
a、從包裝盒中取出繼電器。
b、檢查繼電器外觀是否完好,殼內有無凝露,內部元件器有無損壞。
c、確定繼電器無損壞后,方可進行各項測試及通電檢查。
d、檢查測試內容可根據實際情況而定, 包括整定值、延時時間、絕緣、耐壓等內容,檢查方法應遵循說明書中有關技術指標的規定。
2、檢查測試結束后,即按以下步驟進行安裝。
a、首先應熟悉繼電器的各接線端子,再檢查安裝尺寸是否匹配。
b、根據使用要求接好外部接線。
c、經檢查確信接線無誤后,方可對電路進行通電試驗,以檢查其功能是否正確。
3.為確保安裝正確可靠,安裝結束后應進行仔細檢查。檢查內容包括:繼電器放置是否平穩;罩殼是否有破損;螺釘、螺母是否有松動;接線是否牢固等。檢查確信正常后,方可投入使用。
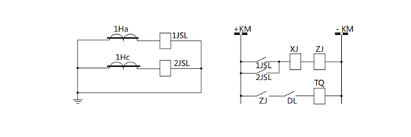
五、JSL-24系列靜態定時限過流繼電器應用接線舉例
1、采用直流操作電源

如上圖所示為直流操作的由JSL繼電器構成的二相式定時限保護的原理圖。若作為線路保護JSL應選擇JSL-11、12型;若用于變壓器、電動機過負荷保護,根據需要, 在延時跳閘時選用JSL-11、12型;在延時發信號時選用JSL-13、14型繼電器。
2、采用交流操作電源

如上圖所示為由JSL繼電器構成的去分流操作機構的保護原理圖。若作為線路保護JSL應選擇JSL-15型;若用于變壓器、電動機過負荷保護、根據需要,在延時跳閘時選用JSL-15型;在延時發信號時選用JSL-16型繼電器。
公司介紹:上海上繼科技有限公司是一家專業從事電力系統繼電保護及智能電網電力自動化產品的研發、設計、生產、銷售和服務為一體的高科技公司。擁有資深繼電保護專家團隊和國內**的檢測儀器及校驗設備。同時還引用國內外先進技術,來進行技術創新。本公司的產品廣泛用于電力、工礦、鐵路、建筑等國家重大工程輸配變電系統上,產品遠銷東南亞及中東地區。產品通過國家繼電保護及自動化設備質量監督檢驗中心檢測,獲得ISO9001國際質量體系認證。“科技創新,誠信務實”是公司的經營理念,本公司以高超的技術支持和對用戶高度負責的售后服務贏得了輸配電成套企業的信賴,且樹立了良好的信譽。
公司主營:繼電器(時間繼電器,電壓繼電器,電流繼電器,中間繼電器,信號繼電器,閃光繼電器,沖擊繼電器,同步檢查繼電器,接地繼電器,差動繼電器,重合閘繼電器,絕緣監視繼電器,雙位置繼電器,模數化繼電器)微機保護裝置,電力儀表,智能操控裝置
上海上繼科技有限公司(專注電力保護繼電器生產廠家)銷售熱線:021-57233089 QQ:1932551438
{以上內容僅供參考,上海上繼科技有限公司有最終解釋權}
更多繼電器精彩文章——DZJ-210X中間繼電器技術要求及產品價格





