JT-3同步檢查繼電器_JT-3繼電器_外形尺寸圖
沖擊、同步、接地、雙位置繼電器系列
JT-3靜態同步檢查繼電器概述
JT-3靜態同步檢査繼電器為靜態型瞬動繼電器,工作原理:通過數字電路處理處一個相位差(或電壓差)與設定值相比,達到同步檢査目的。
1型為相位檢査型,銘牌上數字設定值(整定值)單位為度。
2型為電壓矢量和(或差)檢驗型 ,銘牌上數字設定值(整定值)單位為狀(V) 。
如是二個電壓的相位差或電壓矢量差大于銘牌上的設定值,繼電器瞬時動作。
JT-3靜態同步檢查繼電器型號及命名意義

JT-3靜態同步檢查繼電器引腳及引線
本繼電器的輸入電壓的兩個線( U1、 U2都是如此)不能隨意顛倒次序。其原因先說明如下:
以圖二(a)為準,則如U2兩根線顛倒次序的話,曲線將圖二( b)所示。按圖二(a)接線測得為0角的話,則技國二( b)接線就是180°-(1)角了。所以用戶現場接線時,**能找到公共端接在②、⑧腳。若是找不到公共端,則在現場試驗時,先可任意接好,測試繼電器是否能正常動作,若是不能正常動作,將U2的兩根線交換位置即可。

JT-3靜態同步檢查繼電器技術參數
整定范圍
純相位監測: 5°-175°
電壓矢量檢査型: 0V~99V
5.2 觸點容量 250VAC COSCP=1.0 5A
合閘 250VDC 5A
分閘 250VDC T=5mS 50W
5.3 觸點壽命 電壽命不低于10萬次;機械壽命不低于100萬次。
5.4 介質強度 繼電器各導電端子連在一起,對外露非帶電部分或外殼之間能承受2000V(有效值) 50Hz的交流電壓歷時1分鐘
試驗而絕緣擊穿或飛弧現象。
4.5 絕緣電阻 繼電器各導電端子連在一起,對外露非帶電部分或外殼之間,用開路電壓為500V的、兆歐表測量其絕緣電阻不小于
300M0。
4.6 工作環境 溫度-10°C~+50°C,相對濕度不大于90% ,海拔高度不大于2000M。
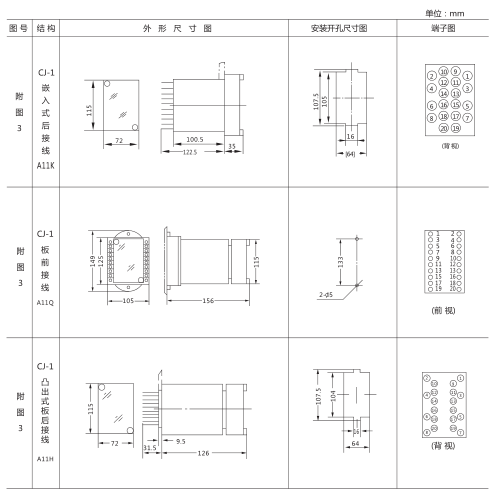
JT-3靜態同步檢查繼電器外形及開孔尺寸





打印當前頁
發郵件給我們: 1932551438@qq.com
手機: 18930817953




