差動、重合閘、絕緣監視及其他繼電器系列
您現在的位置:首頁 >> 我們的產品 >> 繼電器 >> 差動、重合閘、絕緣監視及其他繼電器系列
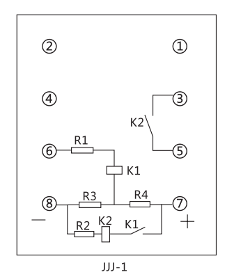
JJJ-1絕緣監視繼電器_JJJ-1繼電器_接線圖
差動、重合閘、絕緣監視及其他繼電器系列
JJJ-1直流絕緣監視繼電器應用范圍
JJJ-1直流絕緣監視繼電器用于直流母線電壓回路,監視直流母線絕緣水平,當直流母線絕緣下降到一定程度時, 該繼電器動作發出警告信號。
JJJ-1型直流絕緣監視繼電器主要技術參數
直流額定電壓: 220V、110V、48V。
繼電器的平衡電阻和靈敏元件電阻值

繼電器動作值:當母線任何一側對地絕緣電阻下降到下表規定值時,繼電器應可靠動作。

觸點容量:當直流電壓不大于220V,電流不大于0.2A,直流有感負荷(時間常數為5±0.75ms) ,觸點斷開容量為20W.無感負荷40W。
JJJ-1型直流絕緣監視繼電器內部接線及外引接線圖

JJJ-1型直流絕緣監視繼電器外形及開孔尺寸



打印當前頁
發郵件給我們: 1932551438@qq.com
手機: 18930817953




