差動、重合閘、絕緣監視及其他繼電器系列
您現在的位置:首頁 >> 我們的產品 >> 繼電器 >> 差動、重合閘、絕緣監視及其他繼電器系列
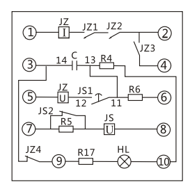
DH-2A重合閘繼電器_DH-2A繼電器_工作原理
差動、重合閘、絕緣監視及其他繼電器系列
新聞公告:
服務熱線:021-57233089
差動、重合閘、絕緣監視及其他繼電器系列

滬公網安備 31011602001871號